脱硝技术原理是什么?
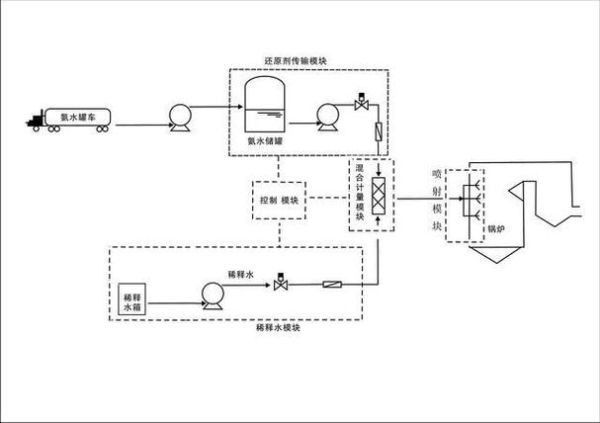
选择性催化还原(SCR)与选择性非催化还原(SNCR)是目前主流的脱硝路线,前者在催化剂作用下将NOx还原为N₂,后者通过高温区喷入还原剂直接反应。

(图片来源网络,侵删)
一、脱硝技术原理深度拆解
1.1 SCR技术核心机制
- 反应温度窗口:300–420 ℃,钒钛系催化剂活性最佳。
- 还原剂选择:液氨、尿素或氨水,以NH₃为还原基元。
- 化学方程式:4NH₃ + 4NO + O₂ → 4N₂ + 6H₂O。
1.2 SNCR技术运行逻辑
- 温度区间:850–1100 ℃,过高会导致NH₃氧化,过低则反应不完全。
- 喷射精度:采用双流体雾化喷枪,液滴粒径控制在50–150 μm。
- 混合强度:停留时间≥0.5 s,湍流强度Re>10000。
二、脱硝设备厂家怎么选?七个关键维度
2.1 资质与案例
先查“环保工程专业承包一级”与“环境工程专项设计甲级”双证,再要求厂家提供近五年同工况业绩≥3个,并现场考察运行数据。
2.2 催化剂自产还是外购
- 自产优势:配方可调、供货周期短、后期再生成本低。
- 外购风险:催化剂失活后需整包更换,费用可能翻倍。
2.3 CFD模拟能力
优质厂家会在投标阶段提供三维流场模拟报告,验证氨逃逸≤3 ppm、速度分布相对偏差≤15%。
2.4 模块化设计水平
- 反应器采用分仓结构,可在不停炉条件下检修单仓。
- 催化剂层设置抽屉式轨道,单人即可抽出模块。
2.5 全生命周期成本
| 项目 | 初投资 | 年运行费 | 五年总成本 |
|---|---|---|---|
| 低价中标厂家 | 低 | 高(催化剂寿命短) | 高 |
| 技术型厂家 | 中 | 低(催化剂可再生) | 低 |
2.6 售后服务半径
询问是否在当地设有备件仓库与24小时响应团队,SCR系统故障停机每日损失可达数十万元。
2.7 数据接入与可视化
- 支持OPC-UA或Modbus-TCP协议,无缝接入DCS。
- 提供手机端APP,实时查看NOx浓度、氨逃逸、催化剂压差。
三、现场踏勘必问的六个细节
3.1 烟气成分摸底
拿到近一年CEMS小时均值,重点关注SO₂、粉尘、碱金属含量,它们决定催化剂中毒风险。
3.2 空间约束测量
- 反应器进口直管段≥5D,出口≥3D,否则需加导流板。
- 顶部吊装高度≥催化剂模块长度+1 m,否则无法更换。
3.3 还原剂制备区选址
液氨储罐与明火间距≥25 m,尿素溶液制备区需设置粉尘收集器防止吸潮结块。

(图片来源网络,侵删)
四、脱硝系统调试常见陷阱
4.1 氨逃逸超标
90%案例源于喷氨格栅堵塞或混合不均,需在168小时试运行期间每4小时手动测一次NH₃分布。
4.2 催化剂失活加速
- 砷中毒:煤质砷含量>8 mg/Nm³时,前置活性炭喷射。
- 烧结:运行温度>450 ℃持续2小时,比表面积下降30%。
4.3 压差异常升高
先检查声波吹灰器频率是否匹配灰分粘性,再确认压缩空气压力≥0.6 MPa。
五、未来三年技术迭代方向
5.1 低温催化剂
锰基或铁基催化剂将反应温度拉低至180–250 ℃,适用于燃气锅炉与钢铁烧结机。
5.2 智能喷氨
- 基于NOx预测模型的前馈控制,提前5分钟调整氨量。
- 机器学习算法根据煤质变化自动修正氨氮摩尔比。
5.3 一体化脱硫脱硝
活性焦干法技术同步脱除SO₂、NOx、粉尘,系统阻力≤1500 Pa,已在国内三家钢厂示范运行。
通过以上维度系统评估,企业可快速锁定真正懂工况、能落地的脱硝技术有限公司,避免“低价中标、高价运维”的循环。

(图片来源网络,侵删)
评论列表