想把自己家的光伏、风电或储能系统接入国家电网,却一头雾水?本文用问答形式拆解电网怎么申请并网与电网并网流程详解,从前期准备到并网验收,每一步都给出可落地的操作清单。

一、电网怎么申请并网?先搞清楚三个关键角色
申请并网前,先问自己:谁负责受理?谁负责设计?谁负责验收?
- 受理方:当地供电公司营销部(或客户服务中心)。
- 设计方:具备电力设计资质的单位,可自建或委托。
- 验收方:供电公司调度中心+质监站。
记住,**个人屋顶项目**与**工商业分布式项目**的受理窗口相同,但所需资料差异较大。
二、电网并网流程详解:七步闭环,缺一不可
1. 前期踏勘:先确认屋顶资源与电网条件
自问:屋顶朝向、遮挡、荷载是否满足?附近变压器容量是否充裕?
操作清单:
- 用无人机或激光测距仪测量屋顶面积。
- 查询当地配网图,看最近的10kV线路距离。
- 若变压器剩余容量<30%,需同步申请增容。
2. 提交并网申请:资料一次备齐,避免来回跑
问:个人用户要带哪些材料?

答:
- 身份证原件及复印件
- 房产证或土地证
- 屋顶租赁合同(如适用)
- 近期电费单(证明用电户号)
工商业用户额外需要:
- 营业执照
- 项目备案证(发改委出具)
- 环评批复
3. 供电公司现场勘查:5个工作日内出答复
供电公司会派两名技术员到现场,核实:
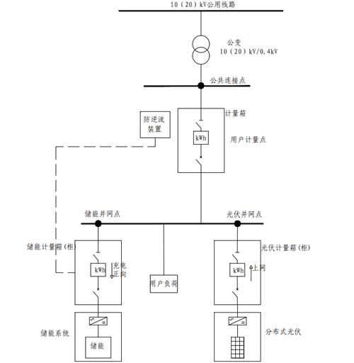
- 接入点电压等级(220V/380V/10kV)
- 并网方式(全额上网/自发自用余电上网)
- 是否需要新建开关站或箱变
勘查结束会收到《并网意向函》,相当于官方“路条”。
4. 接入系统方案设计:设计院出图,供电公司评审
问:设计深度要到什么级别?

答:至少包含:
- 一次接线图(含逆变器、并网柜、保护配置)
- 二次保护整定计算书
- 防雷与接地计算书
供电公司评审重点看短路容量、谐波、电压波动三项指标。
5. 工程建设:施工队需具备承装(修、试)资质
施工阶段容易被忽视的细节:
- 逆变器必须选国网白名单机型。
- 电缆穿管需用阻燃PVC,埋深≥0.8m。
- 并网柜内必须预留调度通信接口。
6. 竣工报验:自检+供电公司验收+质监站抽检
自检清单:
- 绝缘电阻测试≥1MΩ
- 接地电阻≤4Ω
- 逆变器防孤岛保护动作时间≤2s
供电公司验收时,会现场做并网冲击试验:断开电网0.5秒后恢复,观察逆变器是否脱网。
7. 签订购售电合同与并网调度协议
个人项目签《居民光伏购售电合同》,工商业项目签《分布式电源并网调度协议》。
关键点:
- 电价按当地脱硫煤标杆电价或市场化交易价。
- 结算周期:居民按月,工商业按次月。
- 需安装双向电表,供电公司免费更换。
三、最容易踩的五个坑
1. 屋顶荷载不足:老厂房彩钢瓦荷载通常只有15kg/m²,加装光伏需做加固。
2. 逆变器超配:组件容量>逆变器容量1.2倍时,会被要求重新设计。
3. 电缆选型错误:铝芯电缆需放大一档截面,否则压降超标。
4. 未预留通信通道:后期加装调度专网光纤,成本翻倍。
5. 忽视无功补偿:10kV并网项目功率因数<0.9会被罚款。
四、时间线:从申请到并网到底要多久?
| 环节 | 官方时限 | 实际耗时(经验值) |
|---|---|---|
| 受理勘查 | 5个工作日 | 3-7天 |
| 方案评审 | 10个工作日 | 15-20天 |
| 工程建设 | 无 | 1-3个月(视规模) |
| 验收并网 | 10个工作日 | 7-15天 |
如果资料齐全、设计无返工,**50kW以下屋顶项目**最快45天可并网。
五、费用清单:哪些该自己掏,哪些供电公司出?
- 供电公司承担:公共电网改造、双向电表、开关站。
- 业主承担:屋顶加固、逆变器、电缆、施工费。
- 争议点:若因电网侧原因需新建10kV线路,费用协商解决,通常由供电公司垫资。
六、并网后还要做什么?
问:并网成功就万事大吉了吗?
答:别忘了三件事:
- 每季度做一次逆变器除尘,散热不良会降功率。
- 每年做一次绝缘测试,雨季尤其重要。
- 发电量异常下降>10%时,立即联系供电公司做电能质量检测。
只要按以上步骤执行,电网并网流程并不神秘。把资料准备、设计评审、施工细节三件事做到极致,就能让自家绿电顺利“上网”。
评论列表